PS-100-24V
PS-100-24V
- Zasilacz impulsowy 24V DC/4,2A
Zasilacz - PS-100-24
Zasilacz impulsowy, stabilizowany z stałym napięciem wyjściowym w wykonaniu 6-modułowym
Zasilacze serii PS-100:
- PS-100-24 - zasilacz stabilizowany 24V/100W
- prąd wyjściowy ogranicznony jest bezpiecznikiem elektronicznym, po przekroczeniu maks. prądu zasilacz odłączy i po krótkim czasie ponownie załączy
- sygnalizacja wyjściowego napięcia zieloną LED na panelu zasilacza
- ochrona termiczna - podczas termicznego przeciążenia zasilacz odłączy, po obniżeniu temperatury ponownie załączy
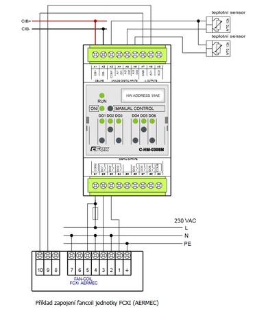
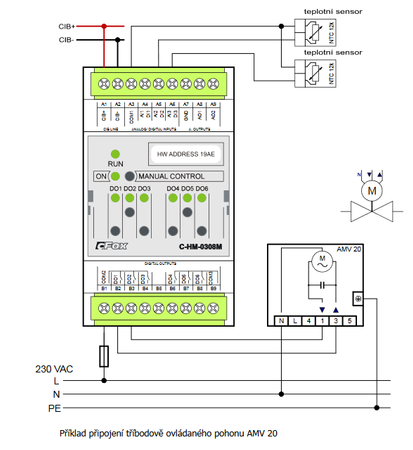
Ilość wyjść:2x analogowe 0-10V6x 3A
Podłączenie1x CIB slave
Brand
Entity responsible for this product in the EU
Teco a.s.More
Address:
Průmyslová zóna Šťáralka 984Postal code: 280 02City: KolínCountry: CzechyPhone number: 321 401 111E-mail: teco@tecomat.cz
Symbol
TXN 133 24
Producer code
TXN 133 24
Series
Warranty
Ilość wejść:
0 - 2 V / 805,9 μV
0 -1 V
Pt1000, W100=1.385 (–90 .. +400 °C)
Pt1000, W100=1.391 (–90 .. +400 °C)
Ni1000, W100=1.500 (–60 .. +200 °C)
Ni1000, W100=1.617 (–60 .. +200 °C)
Rezystancyjny nadajnik 0-600 kOhm
Rezystancyjny nadajnik 0-6 MOhm
KTY81-121; PTC termistor (–55 .. +125°C)
NTC Termistor 12k/25 °C (–40 .. +125°C)
3x analogowe/cyfrowe:
Ilość wyjść:
2x analogowe 0-10V
6x 3A
Napięcie zasilania
Z magistrali CIB 24V DC
Podłączenie
1x CIB slave
Pobór mocy maksymalny
2 W
Ilość zajmowanych modułów w szafie
3M (52 x 90 x 58 mm)
Gwarancja producenta
Gwarancja producenta
Ask a question
Write your opinion
Not confirmed by purchase
Score: /5
Not confirmed by purchase
Score: /5






















