PS-100-24V
PS-100-24V
- Zasilacz impulsowy 24V DC/4,2A
Zasilacz - PS-100-24
Zasilacz impulsowy, stabilizowany z stałym napięciem wyjściowym w wykonaniu 6-modułowym
Zasilacze serii PS-100:
- PS-100-24 - zasilacz stabilizowany 24V/100W
- prąd wyjściowy ogranicznony jest bezpiecznikiem elektronicznym, po przekroczeniu maks. prądu zasilacz odłączy i po krótkim czasie ponownie załączy
- sygnalizacja wyjściowego napięcia zieloną LED na panelu zasilacza
- ochrona termiczna - podczas termicznego przeciążenia zasilacz odłączy, po obniżeniu temperatury ponownie załączy
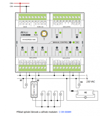
Ilość wyjść:8x NO/NC 16A/10A
Podłączenie1x CIB slave
Marke
Für dieses Produkt zuständige Stelle in der EU
Teco a.s.Mehr
Adresse:
Průmyslová zóna Šťáralka 984Postleitzahl: 280 02Ort: KolínLand: CzechyTelefonnummer: 321 401 111Adresse E-Mail: teco@tecomat.cz
Symbol
TXN 133 03
Herstellercode
TXN 133 03
Serie
Garantie
Ilość wyjść:
8x NO/NC 16A/10A
Napięcie zasilania
Z magistrali CIB lub 24V DC
Podłączenie
1x CIB slave
Pobór mocy zwykły
4,0 W
Pobór mocy maksymalny
4,5 W
Ilość zajmowanych modułów w szafie
6M (105 x 92 x 58 mm)
Gwarancja producenta
Gwarancja producenta
Stelle eine Frage
Ihre Bewertung schreiben
Nicht durch Kauf bestätigt
Bewertung: /5
Nicht durch Kauf bestätigt
Bewertung: /5












